
電話:0769-85189162 26980325
傳真:0769-81610656
郵箱:leesun@leesuncn.com
sales@leesuncn.com
地址:廣東省東莞市南城區第一國際百安中心B座303室
輸出額定力矩:
T2N : 9 Nm - 2000 Nm
減速比:
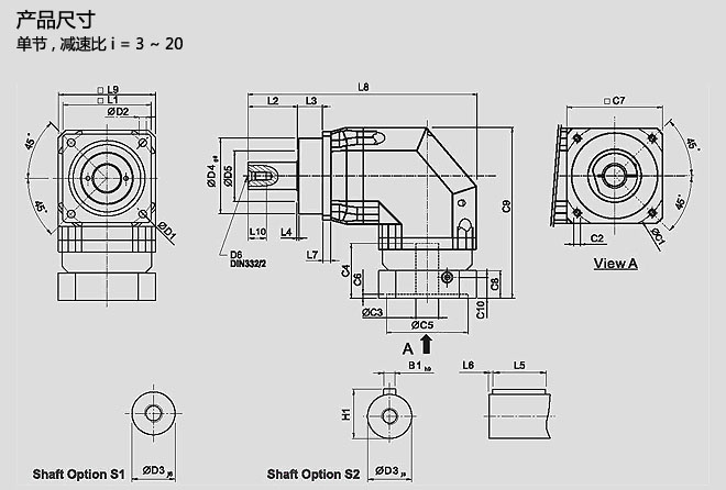
單 節 : 3 / 4 / 5 / 6 / 7 / 8 / 9 / 10 / 14 / 20
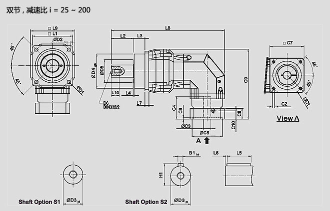
雙節: 15 / 20 / 25 / 30 / 35 / 40 / 45 / 50 / 60 / 70 / 80 / 90 / 100 / 120 / 140 / 160 / 180 / 200
*只有AFR042雙節提供15,20減速比
低背隙:
單節 : ≤2arcmin / ≤4arcmin / ≤6arcmin
雙節 : ≤4arcmin / ≤7arcmin / ≤9arcmin
高效率:
單節 : ≧ 95%
雙節 : ≧ 92%
容易安裝
低噪音
臺灣APEX精銳減速機AFR系列結構特點:

1.采用蝸線傘齒輪設計,容許輸出扭矩高,比直齒傘齒輪高30%以上
2.高容許輸入轉速,比直齒傘齒輪高8倍以上
3.蝸線傘齒輪的嚙合齒印,經最佳化設計,接觸齒面負載均一,運轉壽命長
4.蝸線傘齒輪嚙合,經最佳化運動誤差分析與嚴格的制程控管,以確保高精度的運轉背隙(<=2arcmin)
5.蝸線傘齒輪的齒輪箱結構,采用高強度輕量化的鋁合金設計,具有最高的剛性
6.免保養,毋須更換潤滑油,運轉壽命長
7.高效率(95%以上)
8.低噪音(61dB以下)
9.減速比齊全,共有23種減速比,i = 3,... 200