
電話:0769-85189162 26980325
傳真:0769-81610656
郵箱:leesun@leesuncn.com
sales@leesuncn.com
地址:廣東省東莞市南城區第一國際百安中心B座303室
原產臺灣,耐水,耐塵,耐高溫,頻繁使用耐久性高,性能穩定。
利用空氣壓力動作,無電氣火花,具有防暴性,安全可靠。
制動力可任意調整,制動矩范圍廣。
散熱效果良好,摩擦片耐摩且兩片式,更換容易。
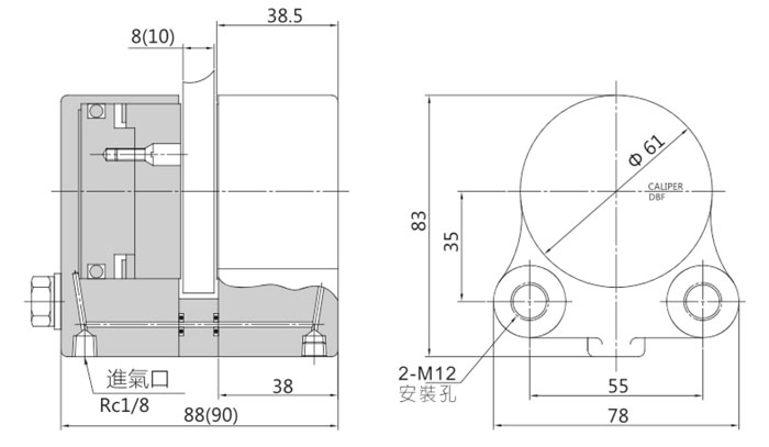
底面固定型直推式小型制動器,適應不同的安裝方式,也能夠使用在直線運動的制動上。較大的摩擦面積延長維護周期,可長壽命運行。如果在一個圓盤上安裝若干個制動器,轉矩也隨之若干倍的增大。